Текущее время: 15 мар 2026 10:22

Часовой пояс: UTC + 3 часа




Начать новую тему Ответить на тему  [ Сообщений: 37 ]  На страницу 1, 2, 3  След.
Автор Сообщение
 Заголовок сообщения: Пневмосистемы.
СообщениеДобавлено: 11 июл 2010 17:46 
Не в сети
Аватара пользователя

Зарегистрирован: 10 ноя 2009 07:33
Сообщения: 1174
Откуда: столько веселья, если у тебя Лендровер?
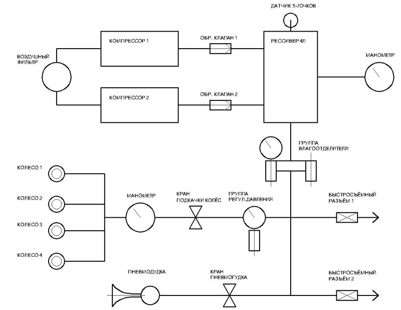
завершил третью переборку своего компрессора по схемке
(осталось собрать хвост на колёса)
2 беркута, 2 реле по 70А, 1 автомат на 100А, рессивер 4л, группа влагоотделителя (и лубрикатор - можно юузать пневмооинструмент), мех.клапан дудки и тд.
хочу услышать рекомендации (или дополнения) - может чтото сделал не так :tongue3:
//
фотки:
Вложение:
Комментарий к файлу: Схема комплектующих
d437afee994b.jpg
d437afee994b.jpg [ 48.32 Кб | Просмотров: 51200 ]

Вложение:
Комментарий к файлу: общий вид: 2 беркута, 4л рес, группа влагоотделителя,
P7110152.JPG
P7110152.JPG [ 365.16 Кб | Просмотров: 51200 ]

Вложение:
Комментарий к файлу: влагоотделитель, регулятор давления
P7110153.JPG
P7110153.JPG [ 299.86 Кб | Просмотров: 51200 ]

Вложение:
Комментарий к файлу: основной манометр, выключатель
P7110156.JPG
P7110156.JPG [ 318.32 Кб | Просмотров: 51200 ]

Вложение:
Комментарий к файлу: авт. предохранитель
P7110155.JPG
P7110155.JPG [ 433.85 Кб | Просмотров: 51200 ]

Вложение:
Комментарий к файлу: механический кран пневмогудка
P7110158.JPG
P7110158.JPG [ 244.15 Кб | Просмотров: 51200 ]

Вложение:
Комментарий к файлу: пневмодудка спряталась с каркасе.)
P7110176.jpg
P7110176.jpg [ 254.61 Кб | Просмотров: 51200 ]

Вложение:
Комментарий к файлу: общий бардак: на переднем плане один из боковых *быстрых разъёмов* под шланг подкачки
P7110163.jpg
P7110163.jpg [ 380.51 Кб | Просмотров: 51200 ]

_________________
также: You can go fast i can go anywhere.)))
www.podrezkov.com


Вернуться к началу
 Профиль Отправить email  
 
 Заголовок сообщения: Re: Пневмосистемы.
СообщениеДобавлено: 12 июл 2010 11:21 
Не в сети
Аватара пользователя

Зарегистрирован: 24 фев 2009 13:49
Сообщения: 845
Виталь, а от ресивера к влагоотделителю обычные водопроводные шланги идут? Или какие-то специальные?

_________________
Далеко бежит дорога (впереди веселья много).....


Вернуться к началу
 Профиль Отправить email  
 
 Заголовок сообщения: Re: Пневмосистемы.
СообщениеДобавлено: 12 июл 2010 14:31 
Не в сети
Аватара пользователя

Зарегистрирован: 10 ноя 2009 07:33
Сообщения: 1174
Откуда: столько веселья, если у тебя Лендровер?
viacheslav писал(а):
Виталь, а от ресивера к влагоотделителю обычные водопроводные шланги идут? Или какие-то специальные?

это 10мм армированные пневматические шланги до 20атм. чтото около 70ре п.м. ;)
(магазин *энтузиаст*. тамже покупаю все уголки, нипеля, переходники и йолки)
ранее пробовал их крепить на обычных хамутах - слетает нафиг (но до этого качал 10очков)
теперь только такие:
Изображение
//
также надо учитывать, что выпуск с компрессора очень сильно нагревается и надо использовать либо специальные металлизированные шланги или ..гибкую газовую подводку.)))
//
вот пример использования италианских пневмошлангов 6мм для агрегатных сапунов.))
Вложение:
Комментарий к файлу: сапуны
b711947a1eb6.jpg
b711947a1eb6.jpg [ 66.59 Кб | Просмотров: 51171 ]

_________________
также: You can go fast i can go anywhere.)))
www.podrezkov.com


Вернуться к началу
 Профиль Отправить email  
 
 Заголовок сообщения: Re: Пневмосистемы.
СообщениеДобавлено: 12 июл 2010 18:41 
Не в сети

Зарегистрирован: 24 фев 2009 19:21
Сообщения: 5906
Откуда: г. Королёв МО
Во дела, хочу все знать :shock:

_________________
Изображение
Нет того, что человек не может, есть то, чего он недостаточно хочет!!!


Вернуться к началу
 Профиль Отправить email  
 
 Заголовок сообщения: Re: Пневмосистемы.
СообщениеДобавлено: 12 июл 2010 22:22 
Не в сети
Аватара пользователя

Зарегистрирован: 04 мар 2009 08:57
Сообщения: 1788
Откуда: г.Москва ЮВАО Люблино
Хорошо, и компрессоры под крышу очень правильно!


Вернуться к началу
 Профиль  
 
 Заголовок сообщения: Re: Пневмосистемы.
СообщениеДобавлено: 12 июл 2010 22:28 
Не в сети
Заслуженный писатель форума
Заслуженный писатель форума
Аватара пользователя

Зарегистрирован: 24 фев 2009 12:43
Сообщения: 6146
Откуда: ... или куда?
Igant писал(а):
Хорошо, и компрессоры под крышу очень правильно!

А мне вот удивительно - компрессоры и ресивер под крышу :icon_scratch: :icon_scratch: :icon_scratch: Сурово как-то - а зачем? И вот сидеть на заднем сиденье, когда в затылок в упор стоит офигенная банка ресивера, и ждать, то ли она в голову придет, когда сорвется при лобовом столкновении, то ли сорванным от усталости металла шлангом высокого давления в ухо засветит - как-то не комфортно. Имхо, конечно.

Или Игант ёрничает?

_________________
---
Mitsubishi Canter 4WD


Вернуться к началу
 Профиль  
 
 Заголовок сообщения: Re: Пневмосистемы.
СообщениеДобавлено: 12 июл 2010 22:59 
Не в сети
Аватара пользователя

Зарегистрирован: 04 мар 2009 08:57
Сообщения: 1788
Откуда: г.Москва ЮВАО Люблино
Не я не ёрничаю.
Олег, на фото у Виталика "коротенький", а его как правило любят топить, ну так получается...
Я Гоблину про идею под крышу давно мозг вынес.
У Ворчуна к примеру компрессор под крышой...
Спорт батенька.... "Мощщи" скоро " подводную лодку" построят из своей "катлеты".


Вернуться к началу
 Профиль  
 
 Заголовок сообщения: Re: Пневмосистемы.
СообщениеДобавлено: 13 июл 2010 10:13 
Не в сети
Аватара пользователя

Зарегистрирован: 10 ноя 2009 07:33
Сообщения: 1174
Откуда: столько веселья, если у тебя Лендровер?
Igant писал(а):
Не я не ёрничаю.
Олег, на фото у Виталика "коротенький"

на счёт того, что он короткий хз.
ты его сам зимой пытался копать :tongue3:
Вложение:
Комментарий к файлу: короткий.)
P7110174.JPG
P7110174.JPG [ 478.45 Кб | Просмотров: 51139 ]

//
*потолочная* болезнь очень обостряецца, когда в воде потеряешь часть оборудования.)))
поэтому компрессоры, инвертор, усилок, конденс, видеорегистратор расположены сверху.
(кстати, на этом *багажнике* иногда лежат некоторые носильные вещи, которые также не хочецца мочить.)
по поводу расположения рессивера: из соображений более короткой трассировки и облегчения слива конденсата. + я сзади не езжу.))
вход трасс в него обеспечен через *Y*-образный трайник, чтобы воздушные потоки не сталкивались друг с другом.
//
ещё один вариант расположения:
Вложение:
Комментарий к файлу: компрессор в портальном 110
301107 (39).JPG
301107 (39).JPG [ 283.6 Кб | Просмотров: 51139 ]

_________________
также: You can go fast i can go anywhere.)))
www.podrezkov.com


Вернуться к началу
 Профиль Отправить email  
 
 Заголовок сообщения: Re: Пневмосистемы.
СообщениеДобавлено: 13 июл 2010 11:04 
Не в сети
Аватара пользователя

Зарегистрирован: 24 фев 2009 13:49
Сообщения: 845
Блин, чуть чуть тему деталями добавить (фотки, спеки) и хоть оформляй как статью по созданию в машине пневмосистемы :thumbsup:

_________________
Далеко бежит дорога (впереди веселья много).....


Вернуться к началу
 Профиль Отправить email  
 
 Заголовок сообщения: Re: Пневмосистемы.
СообщениеДобавлено: 13 июл 2010 12:56 
Не в сети
Аватара пользователя

Зарегистрирован: 10 ноя 2009 07:33
Сообщения: 1174
Откуда: столько веселья, если у тебя Лендровер?
вот ещё чьято система на какомто огромном компрессоре:
Изображение
http://www.roverworld.com/compressore_12v.htm
компрессор один - нет возможной альтернативы (у меня три - на одном из них какнить всё будет работать)
система собрана на *быстрых разъёмах* и пластике - держит до 7атм, что очень критично.
//
два беркута дадут столько же воздуха (если не больше) на давлении более 3атм (при накачке колеса сейчас выдают мin 4атм в систему, на одном было завышение до 0.7-1 выше давления накачиваемого колеса)
//
ещё есть тема с насосом блокировок: забор воздуха на него осуществляецца из общего фильтра, с одним из беркутов (чуть позже подключу все три на бОльший фильтр)
Вложение:
 арб.jpg
арб.jpg [ 153.11 Кб | Просмотров: 51129 ]

можноли в данном случае топить этот насос? ))

_________________
также: You can go fast i can go anywhere.)))
www.podrezkov.com


Вернуться к началу
 Профиль Отправить email  
 
 Заголовок сообщения: Re: Пневмосистемы.
СообщениеДобавлено: 15 июл 2010 13:23 
Не в сети
Аватара пользователя

Зарегистрирован: 04 мар 2009 08:57
Сообщения: 1788
Откуда: г.Москва ЮВАО Люблино
Про "коротенький" - это я ступил :) у тебя много их очень :lol:
Ещё раз скажу - молодец, класс!!!


Вернуться к началу
 Профиль  
 
 Заголовок сообщения: Re: Пневмосистемы.
СообщениеДобавлено: 16 мар 2011 23:53 
Не в сети
Заслуженный писатель форума
Заслуженный писатель форума
Аватара пользователя

Зарегистрирован: 24 фев 2009 12:43
Сообщения: 6146
Откуда: ... или куда?
Надоело долго качать колеса просто компрессором, периодически его выключая, чтобы проверить давление. Хочется "пшик" пистолетиком.

Городить супер надежную резервированную систему в Диско не хочется то же :)

Виталь, как спец по пневмосистемам - скажи что нужно для минимального "наколенного" варианта? Компрессор двухпоршневой производительный есть. Ресивер - хочется все упихнуть под капот, вот такой малогабаритный на 1,89 литра при максимальном давлении
http://off-road-market.ru/catalog/275/item/2343/
пару 33" колес с 0,8 до 2,5 вдует? Потом пусть компрессор потарахтит на вторую пару колес, все равно быстрее будет, чем просто накачивать компрессором?
Еще обратный клапан между компрессором и ресивером, и датчик давления, чтобы выключал насос, и все - этим обойтись можно?

_________________
---
Mitsubishi Canter 4WD


Вернуться к началу
 Профиль  
 
 Заголовок сообщения: Re: Пневмосистемы.
СообщениеДобавлено: 17 мар 2011 09:54 
Не в сети
Аватара пользователя

Зарегистрирован: 11 июн 2010 13:29
Сообщения: 141
Олег, добрый день1

Собирали мне и товарищу всё по такой же схеме, как ты хочешь. У меня с ресивером, у товарища без, т.е. напрямую к пистолету. Всё работает.
Мой ресивер 4 литровый, по опыту пользования, особо роли не играет, поскольку маленький объем, компрессор всё равно постоянно тарахтит, если ставить, то большим объёмом или вообще без него обойтись, места гораздо больше сэкономишь.
на всякий случай, может пригодиться:

http://www.pneumax.ru/production/6/50/

собирали на базе данных фитингов, гораздо дешевле, чем во внедорожных магазинах, у них всё есть и клапана и шланги


Вернуться к началу
 Профиль Отправить email  
 
 Заголовок сообщения: Re: Пневмосистемы.
СообщениеДобавлено: 17 мар 2011 10:09 
Не в сети
Заслуженный писатель форума
Заслуженный писатель форума
Аватара пользователя

Зарегистрирован: 24 фев 2009 12:43
Сообщения: 6146
Откуда: ... или куда?
Саш, спасибо!

Я вот только в пневмосистемах профан, конечно, но мне кажется, что ресивер, пусть и маленький, но с датчиком давления на включение-выключение компрессора, как раз и позволяет качать колесо, нажимая только на рычаг пистолета, а компрессор управляется автоматически. Ну и пусть объем ресивера маленький, компрессор почти постоянно тарахтеть будет, но при производительном компрессоре это не беда. Зато удобство управления.

А вот без ресивера от компрессора сразу к пистолету - это ж значит, что компрессор включать-выключать надо при подкачке.

Кстати, а какой такой разъем или клапан ставится на выходном шланге ресивера, который держит давление при неподключенном разъеме пистолета, а при подключенном - выдает воздух в пистолет, чтобы уже его рычагом подачу регулировать?

_________________
---
Mitsubishi Canter 4WD


Вернуться к началу
 Профиль  
 
 Заголовок сообщения: Re: Пневмосистемы.
СообщениеДобавлено: 17 мар 2011 10:25 
Не в сети
Аватара пользователя

Зарегистрирован: 11 июн 2010 13:29
Сообщения: 141
ok_escudo писал(а):
А вот без ресивера от компрессора сразу к пистолету - это ж значит, что компрессор включать-выключать надо при подкачке.

Если ресивера нет в системе, то ничего не меняется, включение и выключение так же происходит нажатием на пневматический пистолет при подкачке, в данном случае как бы "ресивером" выступает сама пневмосистема, т.е. все шланги, а управляет эти реле, которое при определенном давлении включает и выключает систему.

Компрессор включается эл.тумблер только перед использованием или если хочешь постоянно, но мне например это не нужно, поскольку пневмосистему использую только для накачки колёс.
Сам же ресивер, позволяет только накопить некий объем воздуха. Если объем ресивера достаточно большой, у меня 4 литра-считаю маленький , то позволяет накачивать колесо не постоянно работающим компрессором, а как бы "накопил-отдал".


Вернуться к началу
 Профиль Отправить email  
 
Показать сообщения за:  Поле сортировки  
Начать новую тему Ответить на тему  [ Сообщений: 37 ]  На страницу 1, 2, 3  След.

Часовой пояс: UTC + 3 часа


Кто сейчас на конференции

Сейчас этот форум просматривают: нет зарегистрированных пользователей и гости: 5


Вы не можете начинать темы
Вы не можете отвечать на сообщения
Вы не можете редактировать свои сообщения
Вы не можете удалять свои сообщения
Вы не можете добавлять вложения

Найти:
Перейти:  
cron
Powered by phpBB © 2000, 2002, 2005, 2007 phpBB Group
Русская поддержка phpBB